警告
本文最后更新于 2022-09-14,文中内容可能已过时。
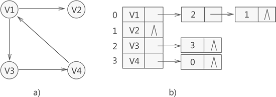
1. 图的数据结构
图的一种数据结构:
1
2
3
4
5
6
7
8
9
10
11
12
13
14
15
16
17
18
19
20
| package graph
type Edge struct {
Weight int // 权重(距离...)
From *Node // 从哪个 Node 出发
To *Node // 到哪个 Node 去
}
type Node struct {
Value int // 值
In int // 入度,几条边进来
Out int // 出度,几条边出去
Nexts []*Node // 出去指向的节点列表
Edges []*Edge // 哪些边属于自己(从自己出去)
}
type Graph struct {
Nodes map[int]*Node // Node 编号 -> Node
Edges map[*Edge]any // 边 Set
}
|
1.1 邻接表

1.2 邻接矩阵

2. 图的遍历
2.1 广度优先遍历
1
2
3
4
5
6
7
8
9
10
11
12
13
14
15
16
17
18
19
20
21
22
23
24
25
26
27
28
29
| package graph
func BFS(node *Node) []*Node {
if node == nil {
return nil
}
queue := make([]*Node, 0)
set := make(map[*Node]any)
rtn := make([]*Node, 0)
queue = append(queue, node)
set[node] = nil
for len(queue) > 0 {
curNode := queue[0]
queue = queue[1:]
rtn = append(rtn, curNode)
for _, next := range curNode.Nexts {
if _, ok := set[next]; !ok {
queue = append(queue, next)
set[next] = nil
}
}
}
return rtn
}
|
2.2 深度优先遍历
1
2
3
4
5
6
7
8
9
10
11
12
13
14
15
16
17
18
19
20
21
22
23
24
25
26
27
28
29
30
31
| package graph
func DFS(node *Node) []*Node {
if node == nil {
return nil
}
stack := make([]*Node, 0)
set := make(map[*Node]any)
rtn := make([]*Node, 0)
stack = append(stack, node)
set[node] = nil
rtn = append(rtn, node)
for len(stack) > 0 {
curNode := stack[len(stack)-1]
stack = stack[:len(stack)-1]
for _, next := range curNode.Nexts {
if _, ok := set[next]; !ok {
stack = append(stack, curNode, next)
set[next] = nil
rtn = append(rtn, curNode)
break
}
}
}
return rtn
}
|
3. 拓扑排序算法
维基百科
在计算机科学领域,有向图的拓扑排序或拓扑测序是对其顶点的一种线性排序,使得对于从顶点 u 到顶点 v 的每个有向边 uv,u 在排序中都在 v 之前。
例如,图形的顶点可以表示要执行的任务,并且边可以表示一个任务必须在另一个任务之前执行的约束;在这个应用中,拓扑排序只是一个有效的任务顺序。
再如,项目中各个包的依赖顺序(引入顺序、编译顺序)
算法:
- 入度为 0 的点为起点,加入返回值列表
- 去掉该点,重复上一步
- 直到所有点去掉
实现:
1
2
3
4
5
6
7
8
9
10
11
12
13
14
15
16
17
18
19
20
21
22
23
24
25
26
27
28
29
30
| package graph
func TopologySort(graph *Graph) []*Node {
inMap := make(map[*Node]int) // 记录 Node 剩余的入度
zeroInQueue := make([]*Node, 0) // 入读为 0 的点才能进入队列
rtn := make([]*Node, 0)
// 找第一批入度为 0 的点
for _, node := range graph.Nodes {
inMap[node] = node.In
if node.In == 0 {
zeroInQueue = append(zeroInQueue, node)
}
}
for len(zeroInQueue) > 0 {
node := zeroInQueue[0]
zeroInQueue = zeroInQueue[1:]
rtn = append(rtn, node)
// 擦除当前 node 对 next node 入度的影响
for _, next := range node.Nexts {
inMap[next]--
if inMap[next] == 0 {
zeroInQueue = append(zeroInQueue, next)
}
}
}
return rtn
}
|
3. kruskal算法和 prim算法
只适用于无向图
3.1 最小生成树
维基百科
最小生成树是一副连通加权无向图中一棵权值最小的生成树。
最小生成树其实是最小权重生成树的简称。
3.2 kruskal算法
从边的角度考虑这件事
算法
- 找到权重最小的边,加入树中
- 选取剩余的边中权重最小的边
- 循环第 2 步,直到遍历完所有的边
关键问题在于如何判断加入一个边是否会形成环,采用并查集解决
并查集算法
- 一开始每个 node 都是单独的集合
- 每次选中最小边时,判断边的两个 node 是否是同一个集合:
- 是:跳过
- 不是:加入这条边,两个 node 的集合合并
Golang实现:
1
2
3
4
5
6
7
8
9
10
11
12
13
14
15
16
17
18
19
20
21
22
23
24
25
26
27
28
29
30
31
32
33
34
35
36
37
38
39
40
41
42
43
44
45
46
47
48
49
50
51
52
53
54
55
56
57
58
59
60
61
62
63
64
65
66
67
68
69
70
71
72
73
74
75
76
77
78
79
80
81
82
83
84
85
86
87
88
89
90
91
92
93
94
95
96
97
98
99
100
| package graph
import (
"container/heap"
"reflect"
)
// TODO: Test
// UnionFinder 定义并查集算法
type UnionFinder interface {
IsSameSet(from, to *Node) bool
Union(from, to *Node)
}
// MySets 简单实现类似并查集的算法
type MySets struct {
SetMap map[*Node][]*Node
}
func NewMySets(nodes []*Node) *MySets {
mySets := new(MySets)
for _, node := range nodes {
mySets.SetMap[node] = []*Node{node}
}
return mySets
}
// IsSameSet 判断两个 node 对应的 set 是否相同
func (s *MySets) IsSameSet(from, to *Node) bool {
fromSet := s.SetMap[from]
toSet := s.SetMap[to]
return reflect.DeepEqual(fromSet, toSet)
}
// Union 合并两个 node 对应的 set
func (s *MySets) Union(from, to *Node) {
fromSet := s.SetMap[from]
toSet := s.SetMap[to]
for _, node := range toSet {
fromSet = append(fromSet, node)
s.SetMap[node] = fromSet
}
}
// A EdgeHeap implements heap.Interface and holds Edge.
type EdgeHeap []*Edge
func (pq EdgeHeap) Len() int { return len(pq) }
func (pq EdgeHeap) Less(i, j int) bool {
// We want Pop to give us the lowest
return pq[i].Weight < pq[j].Weight
}
func (pq EdgeHeap) Swap(i, j int) {
pq[i], pq[j] = pq[j], pq[i]
}
func (pq *EdgeHeap) Push(edge any) {
item := edge.(*Edge)
*pq = append(*pq, item) // 必须传指针,否则 append 新开辟内存,导致 push 失效
}
func (pq *EdgeHeap) Pop() any {
old := *pq
n := len(old)
edge := old[n-1]
old[n-1] = nil // avoid memory leak
*pq = old[0 : n-1]
return edge
}
// Kruskal 实现最小生成树算法
func Kruskal(graph *Graph, newFinderFunc func(nodes []*Node) UnionFinder) []*Edge {
nodes := make([]*Node, 0, len(graph.Nodes))
for _, node := range graph.Nodes {
nodes = append(nodes, node)
}
finder := newFinderFunc(nodes)
edgeHeap := make(EdgeHeap, 0, len(graph.Edges))
for edge := range graph.Edges {
edgeHeap = append(edgeHeap, edge)
}
heap.Init(&edgeHeap)
result := make([]*Edge, 0)
for edgeHeap.Len() > 0 {
item := edgeHeap.Pop()
edge := item.(*Edge)
if !finder.IsSameSet(edge.From, edge.To) {
result = append(result, edge)
finder.Union(edge.From, edge.To)
}
}
return result
}
|
3.3 prim 算法
从点的角度考虑
算法
- 初始化:所有的 edge 都没解锁
- 从任意 node 开始,解锁相关所有边
- 在解锁的边中找出最小的 edge:
- 如果另一个 node 还没考察过,则将 edge 放入结果集
- 否则,排除这条 edge,回到第 3 步
- 将解锁的 edge 的另一个 node 的所有 edge 解锁
- 重复第 3 步
3.4 kruskal算法 VS prim算法
- K 算法从边考虑,可能形成几片连接的树最后才连起来,因此需要并查集来考虑合并问题
- P 算法从点考虑,从某个点出发依次连接各个点(因为每次考虑的边都靠解锁的方式和已加入结果的点相连,不可能存在多片独立的树),不存在上述问题
4. Dijkstra 算法
是从一个顶点到其余各顶点的最短路径算法,解决的是有权图中最短路径问题
要求边的权重不能为负,更准确是:不能有累加和为负数的环,否则一直在环上绕就会越来越小
算法:
- 一开始从 A 出发记录 A 到各个点的距离,最开始为 [0, INF, INF, …],0 表示 A 到 A 的距离
- 每次选中距离最小的点,最开始选中 A,如果从 A 发出到其他点的距离会缩小,那么更新距离,完成后锁定当前距离,不再更新:
- 如 A 到 B 距离为 3,A 和 其他点都不相连,那么数组变成 [0, 3, INF, …],锁定 0 这个位置,不再更新
- 重复 2,直到全部锁定,即为 A 到各个点的最小路径
Golang实现:
1
2
3
4
5
6
7
8
9
10
11
12
13
14
15
16
17
18
19
20
21
22
23
24
25
26
27
28
29
30
31
32
33
34
35
36
37
38
39
40
41
42
43
44
45
| package graph
import "math"
func Dijkstra(head *Node) map[*Node]int {
// distanceMap 记录从 head 出发到各个 node,目前发现的最小距离
// key 表示从 head 出发到达 key
// value 表示从 head 出发到达 key 的最小距离
// 如果没有 node 不在 distanceMap 中,表示距离为正无穷
distanceMap := make(map[*Node]int)
distanceMap[head] = 0 // head 到 head 距离为 0
// selectedNode 储存已锁定(已经选择过)的节点
selectedNodes := make(map[*Node]any)
minNode := getMinDistanceAndUnselectedNode(distanceMap, selectedNodes)
for minNode != nil {
preDistance := distanceMap[minNode] // 当前节点到 head 的距离
for _, edge := range minNode.Edges {
toNode := edge.To
// distanceMap 中没出现过,说明是正无穷,说明当前距离一定更小,因此更新距离
if _, ok := distanceMap[toNode]; ok {
distanceMap[toNode] = preDistance + edge.Weight
}
// 已记录的距离,和从当前节点过去的距离,哪个更小就要哪个
distanceMap[toNode] = int(math.Min(float64(distanceMap[toNode]), float64(preDistance+edge.Weight)))
}
selectedNodes[minNode] = nil // 当前节点加入锁定 map
minNode = getMinDistanceAndUnselectedNode(distanceMap, selectedNodes)
}
return distanceMap
}
// getMinDistanceAndUnselectedNode 返回未被选择过的最小距离节点
func getMinDistanceAndUnselectedNode(distanceMap map[*Node]int, selectedNodes map[*Node]any) *Node {
var minNode *Node
minDistance := math.MaxInt
for node, distance := range distanceMap {
if _, ok := selectedNodes[node]; !ok && distance < minDistance {
minNode = node
minDistance = distance
}
}
return minNode
}
|